2. Alat dan Bahan [Kembali]
Pada percobaan yang pertama sinyal dalam kondisi A berlogika 0 dan B nya sebagai triger, maka saat B diubah terjadi perpindahan LED tetapi hanya sesaat saja dimana Q nya yang awalnya pada kondisi stabil 0 ketika B nya diubah lampunya menjadi menyala atau dalam kondisi 1 tapi hanya sesaat. Untuk Q' yang awalnya keadaan stabil 1 ketika tertriger oleh B berpindah dari 1 ke 0 tetapi hanya sebentar saja. Saat keadaan dimana A nya sebagai triger dan B berlogika 1, sehingga didapat ketika Q nya yang awalnya 0 kemudian di triger oleh A berpindah ke 1 tapi hanya sesaat saja, dan Q' yang awal stabilnya 1 ketika di triger oleh A berpindah ke 0 tapi sesaat saja.
5. Video Rangkaian [Kembali]
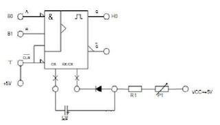
1. Analisa Pengaruh Resistor dan Kapasitor pada Percobaan 3.
Resistor dan kapasitor dibutuhkan pada rangkaian multivibrator khususnya multivibrator monostabil pada percobaan 3 ini. Seperti yang diketahui bahwa pada multivibrator terdapat konstanta waktu RC resistor kapasitor yang akan menentukan jangka waktu saat kuasi stabil. Fungsi resistor adalah sebagai sumber arus bagi pengisian kapasitor, sedangkan kapasitor berfungsi sebagai kopel yang akan menentukan besar tegangan dan komponen penguat yang aktif. Lamanya keadaan tidak stabil dipengaruhi oleh waktu laju pengisian atau pengosongan kapasitor yang besarnya dipengaruhi oleh kapasitas kapasitor.
Jika nilai resistansi kecil maka arus akan lebih mudah mengalir sehingga proses pengisian muatan kapasitor akan cepat. Sebaliknya, semakin besar nilai resistansinya maka semakin lama pengisian muatan kapasitor. Sehingga semakin besar kapasitas kapasitor maka semakin lama pengisian muatan kapasitor yang mengakibatkan semakin lama pula perpindahan multivibrator tidak stabil atau dalam keadaan dari tidak stabil menuju keadaan stabil.
2. Analisa perbandingan antara hasil tabel Praktikum dengan hasil tabel Perhitungan, Cari persenan error-nya.
Menurut hasil perhitungan perbedaan antara hasil praktikum dengan hasil perhitungan adalah sangat jauh jika dilihat dari persenan error-nya. Hal ini terjadi karena ketidaktelitian praktikan dalam melakukan percobaan seperti dalam menghitung waktu menggunakan stopwatch. Namun, untuk kesesuaian antara praktikum dengan perhitungan adalah benar yaitu semakin besar kapasitas kapasitor maka waktunya multivibrator mengubah kondisi semakin lama.









Tidak ada komentar:
Posting Komentar